GREH-X_250png.png
CE-Kennzeicheneps.eps

CE-konform gemäß europäischen Vorschriften

GREH-X_250png.png
CE-Kennzeicheneps.eps

GREH-X EC

GREH-X-EC 250

Garagenjet-Ventilator Typ GREH-X-EC


 


  • Sehr kompakte Bauweise
    • Bauhöhe 120 mm
  • Geringes Montagegewicht
    • Gewicht 8 kg
  • Gutes Schub / Leistungsverhältnis 
    •  Schub 8 N / 170 W
  • Nenngröße 250 
  • Hohe Laufruhe über den gesamten Drehzahlbereich
  • Vandalismussicher
  • Koppelbar auf bis zu 3 Geräten
    • Fanline 2, Fanline 3
  • Optional mit Pulverbeschichtung nach RAL-Karte

Allgemeine Informationen

Anwendung

Der GREH-X-EC 250 findet sein Anwendungsgebiet zumeist in Tiefgaragen. Durch die extrem kompakte Ausführung ist der GREH-X-EC 250 besonders für geringe Deckenhöhen oder enge Durchgänge geeignet. Im Vergleich zu ähnlichen Produkten anderer Hersteller hat der GREH-X-EC 250 bei geringerer Leistung einen identischen Schub. Das gute Schub / Leistungsverhältnis wird durch modernste EC-Motortechnologie erzielt. Aufgrund dessen kann eine sehr hohe Laufruhen über den gesamten Drehzahlbereich erzielt werden. Durch den GREH-X-EC 250 können fortan Tiefgaragenlüftungssysteme komplett mit TROX X-FANS Komponenten ausgestattet werden. 


Besondere Merkmale

  • Luftrichtung unidirektional mit direktem Antrieb
  • Kompakte Gehäuseausführung für geringe Deckenhöhen
  • Gutes Schub / Leistungsverhältnis
  • bedarfsgerechte Drehzahleinstellung
  • Ausblaswinkel einstellbar
  • Vandalismussicher (innenliegende Verkabelung)


Nenngrößen

  • 250


Varianten

  • GREH-X-EC 250 (1 Modul)
  • Fanline 2 (2 Module)
  • Fanline 3 (3 Module)


Ausführung

  • zur Lüftung
  • Koppelbar zu Fanline 2 und Fanline 3


Bauteile und Eigenschaften

  • Ventilatorgehäuse in verzinkter Stahlblechausführung (optional mit Pulverbeschichtung nach RAL-Karte)
  • EC-Motor 
  • Der im Förderstrom angeordnete EC-Motor wird mit einem Klemmenkasten oder Reparaturschalter am Gehäuse montiert
  • Saugseitiges Schutzgitter


 

Zubehör

  • optional mit angebautem Reparaturschalter


Konstruktionsmerkmale

  • sehr kompakte Bauweise
  • geringes Montagegewicht
  • Ausblaswinkel einstellbar
  • direkter Kraftfluss von Motor auf Laufrad (EC-Motor) 
  • Vandalismussicher (innenliegende Verkabelung)


Materialien und Oberflächen

Oberflächenschutz:



  • Jet-Ventilator aus verzinktem Stahlblech (optional mit Pulverbeschichtung nach RAL-Karte)
  • Laufrad und Schutzgitter aus Kunststoff PA


Technische Daten

1 Modul, 2 Module, 3 Module



  • Schub: 8 N, 16 N, 24N
  • Gewicht: 8 kg, 16 kg, 24 kg
  • Leistungsaufnahme: 170 W, 340 W, 510 W
  • Stromaufnahme: 1,4 A, 2,8 A, 4,2 A 

Technische Information

Funktion, Technische Daten, Einbaudetails, Ausschreibungstext

  • Funktion
  • TECHNISCHE DATEN
  • EINBAUDETAILS
  • AUSSCHREIBUNGSTEXT

Der GREH-X-EC 250, der in Tiefgaragen zum Einsatz kommt, ist ein kompaktes Gerät mit einer Höhe von nur 120 mm und einem Gewicht von 8 kg. Der Lüfter erzeugt einen starken Schub von 8 N, der effektiv zur Luftbewegung in der Umgebung beiträgt. Aufgrund der EC-Motortechnik ist der GREH-X-EC 250 sehr effizient und gleichzeitig Energiesparsam.  Das Gehäuse des Lüfters besteht aus verzinktem Stahl, was für eine robuste und langlebige Konstruktion sorgt. Der GREH-X-EC 250 ist mit einem saugseitigen Schutzgitter ausgestattet, das verhindert, dass Fremdkörper in den Lüfter eindringen und Schäden verursachen können.  Die Luftrichtung des Radiallüfters ist unidirektional, was bedeutet, dass die Luft nur in eine Richtung strömt. Dies ermöglicht eine gezielte Belüftung oder Entlüftung in der Tiefgarage, je nach den Anforderungen und Bedingungen vor Ort. Ein zusätzliches Merkmal des GREH-X-EC 250 ist der verstellbare Ausblaswinkel. Dies ermöglicht es, den Luftstrom in verschiedene Richtungen zu lenken oder den Fokus der Luftbewegung anzupassen. Dadurch kann der Lüfter flexibel an die spezifischen Anforderungen der Tiefgarage angepasst werden. Je nach Anforderung kann der GREH-X-EC 250 durch Parallelschaltung auf bis zu 3 Module erweitert werden. Der Schub wird dadurch auf das 2 bzw. 3-fache vergrößert.

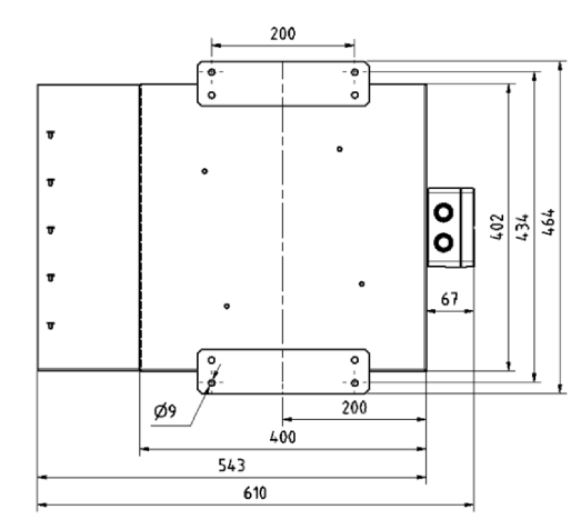
Technische Daten

EinheitenGREH-X-EC 250Fanline 2Fanline 3
Bauhöhe / -länge[mm]120 / 610
Baubreite464866

1238

Schub[N]81624
Gewicht[kg]
Leistungsaufnahme[W]170340510

EINBAUBEISPIEL: MODULARER AUFBAU (GREH-X-EC 250, FANLINE 2, FANLINE 3

In dem Einbaubeispiel sieht man, wie der GREH-X-EC 250 modular koppelbar ist.


Es ist möglich 2 (Fanline 2) oder 3 (Fanline 3) GREH-X-EC 250 Module aneinander zukoppeln. Dadurch erhöht sich Schub, Gewicht, Leistungsaufnahme und Stromaufnahme um das 2-fache bzw. 3-fache. Die Bauhöhe jedoch bleibt mit 120 mm unverändert flach!

Ausschreibungstext

Der GREH-X-EC 250 der Firma TROX X-FANS GmbH wurde speziell für die Belüftung von Tiefgaragen entwickelt. Er bietet eine leistungsstarke und effiziente Lösung, um eine optimale Luftzirkulation in Tiefgaragen zu gewährleisten. Mit einem Schub von 8 N ist der GREH-X-EC 250 in der Lage, einen starken Luftstrom zu erzeugen und somit effektiv die Belüftung in der Tiefgarage zu unterstützen. Der Ventilator sorgt für eine zuverlässige Abführung von Abgasen, Schadstoffen und Feuchtigkeit. Die Aufbauhöhe beträgt 120 mm bei einem Gewicht von 8 kg. Eine Integration in bestehende Strukturen ist einfach möglich. Je nach den spezifischen Schubanforderungen kann der Schub durch parallelschalten von 2 bzw. 3 Modulen auf das 2 bzw. 3-fache erhöht werden. Diese Erweiterung führt zu einer entsprechenden Steigerung der Leistung um das 2- bzw. 3-fache, um eine optimale Belüftung gemäß den individuellen Bedürfnissen sicherzustellen. Darüber hinaus bietet der GREH-X-EC 250 eine erhöhte Sicherheit durch seine innenliegende Verkabelung. Diese Konstruktion schützt den Lüfter vor Vandalismus und Manipulation, was zu einer langen Lebensdauer und zuverlässigem Betrieb führt. Durch den Einsatz modernster EC-Motortechnologie werden Energieverluste minimiert und Betriebskosten gesenkt. Damit trägt der Ventilator zur Nachhaltigkeit und Umweltverträglichkeit bei.

ABMESSUNGEN UND GEWICHTE

  • ABMESSUNGEN UND GEWICHTE

Downloads

Produktinfos

Zertifikate

Betriebsanleitungen

production {"x-frame-options"=>"SAMEORIGIN", "x-xss-protection"=>"0", "x-content-type-options"=>"nosniff", "x-permitted-cross-domain-policies"=>"none", "referrer-policy"=>"strict-origin-when-cross-origin", "strict-transport-security"=>"max-age=31536000; includeSubDomains", "content-type"=>"text/html; charset=utf-8", "link"=>"</assets/application-efbc495b06ca980ef13dc743756002fce2f413f798fecb64c7f0c81954c16402.css>; rel=preload; as=style; nopush,</assets/print-fec2e47d6d8dcc5d4c101139f17046ba981ca1c12f71e7e403fba50cc7584175.css>; rel=preload; as=style; nopush,</assets/other_js/modernizr.custom.93544-c26374a79d804901074bb4aa6fd3fa44ea22e840389915d2adce16b024021ef3.js>; rel=preload; as=script; nopush,</assets/other_js/js.cookie.min-de103d86d1919b40950f791699b4ce768137fde41af09b35ff92bde369732183.js>; rel=preload; as=script; nopush,</assets/other_js/jquery-3.5.1-2c4ce18a1a3f144c333912efc24a76c9a165a0dba9f88a499985df1af0a196a2.js>; rel=preload; as=script; nopush"}

Seite teilen

Diese Seite weiterempfehlen

Hier haben Sie die Möglichkeit diese Seite als Link weiter zu empfehlen.

Mit Stern (*) markierte Felder sind Pflichtfelder.

Kontakt

Vielen dank für Ihre Nachricht!

Ihre Empfehlung wurde verschickt und sollte jeden Moment beim Empfänger eingehen.

Kontakt

Wir sind für Sie da

Bitte spezifizieren Sie das Thema Ihrer Anfrage und Ihre Kontaktdaten.
Tel.: +49 (0)6621 / 950-0 | Fax: +49 (0)6621 / 950-100

Anhang (max. 10MB)

Mit Stern (*) markierte Felder sind Pflichtfelder.

Kontakt

Vielen Dank für Ihre Nachricht!

Ihre Nachricht in ist unserem Service Center eingegangen und wird bearbeitet.
Unsere Abteilung für Service-Anfragen wird sich in Kürze mit Ihnen in Verbindung setzten.
Für allgemeine Fragen zu Produkten und Services erreichen Sie uns auch unter:
Tel.: +49 (0)6621 / 950-0 | Fax: +49 (0)6621 / 950-100

Kontakt

Wir sind für Sie da

Bitte spezifizieren Sie das Thema Ihrer Anfrage und Ihre Kontaktdaten.
Tel.: +49 (0)6621 / 950-0 | Fax: +49 (0)6621 / 950-100

Anhang (max. 10MB)

Mit Stern (*) markierte Felder sind Pflichtfelder.

Kontakt

Vielen Dank für Ihre Nachricht!

Ihre Nachricht in ist unserem Service Center eingegangen und wird bearbeitet.
Unsere Abteilung für Service-Anfragen wird sich in Kürze mit Ihnen in Verbindung setzten.
Für allgemeine Fragen zu Produkten und Services erreichen Sie uns auch unter:
Tel.: +49 (0)6621 / 950-0 | Fax: +49 (0)6621 / 950-100